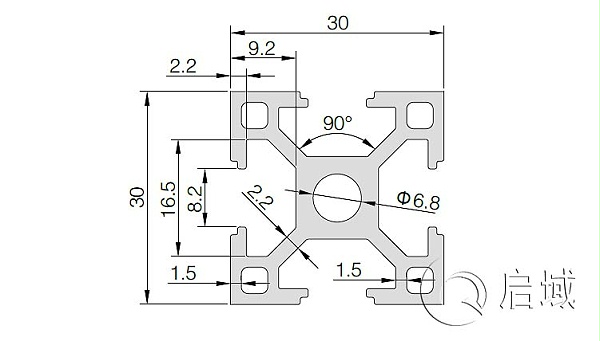
3030铝型材是常用的铝型材系列之一,用途较广,适用于工作台,货架,围栏等框架的搭建和定制。很多小伙伴在购买3030 铝型材 的时候想要了解其相关尺寸信息,下面小编就从几个方面给大家简单介绍一下。

一,截面尺寸。
3030铝型材的截面尺寸是30*30的,单位是 mm,也可以称为3x3铝型材,单位是cm 。这个截面尺寸还是比较小的,一般用于承重200公斤的框架上。

二,壁厚尺寸。
3030铝型材在启域有6款常用的规格型号,其壁厚常用的有两种尺寸: 2.2mm和1.8mm。这意味着它比较轻,但仍具有足够的强度、稳定性和耐久性。不过很多的厂家会在这个方面做手脚,把壁厚尺寸减少,很多客户是看不出来的,但是其强度会大大折扣。大家在购买的时候一定多对比,不要一味的图便宜。
三,长度尺寸。
3030铝型材一根的长度尺寸是6.01米,可以根据需求进行尺寸切割。在上海启域,铝型材常规尺寸切割是免核的,而且切割误差在±
0.3mm以内。如果需要超出6米的长度的话,需要定制,不过氧化的型材zui
长的是6.8米,没有氧化的 zui长的是
7.5米。
四,氧化膜尺寸。
3030铝型材表面是进过阳极氧化处理的,防静电,防腐蚀,可以用在很多的精密仪器上面,降低维护成本。氧化膜的厚度尺寸决定了其使用的年限,一般要达到8um 以上的才算合格。氧化膜厚度尺寸是有专业的仪器可以测量的。

以上就是关于3030铝型材尺寸方面的介绍了,希望对大家有帮助。有需要3030
铝型材样段的小伙伴,可以来咨询上海启域金属哦,给大家免费邮寄,供大家货比三家。