上海工业铝型材_铝合金型材_铝型材加工_框架围栏_工作台定制厂家_启域金属

联系启域联系启域 在线留言在线留言 网站地图网站地图

欧标品质 初心坚守工业铝型材厂家 精于应用定制加工

服务热线:400-096-5058021-67658689

启域用匠心坚守,以责任践行
常用的双槽工业铝型材规格有哪些?
返回列表 来源: 发布日期: 2025.07.11

  工业铝型材作为现代化工厂常用的工业材料之一,它的常规规格就达上千种,规格不一样,其截面形状也有差异。在日常生活中,我们见得比较多的皆是四面均带有一个槽孔的单槽铝型材 ,那么今天小编就带大家来认识一下比较独特的双槽工业铝型材吧。

  双槽工业铝型材,从字面上也好理解的,单槽型材是四面均带有一个槽孔,那么双槽就是型材四面均带有两个槽孔啦,下面我们就来看看常用的双槽型材规格有哪些吧。

4040S双槽铝型材

  图一这款是4040双槽型材,它四面均带有两个槽坑,槽宽为6mm,径厚为1.8mm,适用于门导轨,一般做滑门导轨型材使用。 

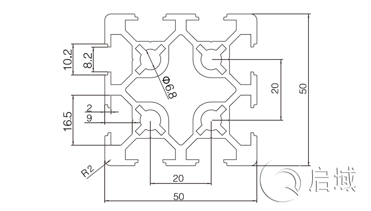
5050S铝型材图纸

5050S双槽铝型材

  图二这款是5050双槽型材,槽宽为8mm,适合用于高强度,对承重要求较高的重载框架结构。

QY-8-6060A型材

  图三这款是6060A双槽型材,它的槽宽为8mm,径厚为2.2mm,适用于应力及强度较小的框架组合结构。6060系列除了这款,还有一款6060G双槽型材,它是国标系列型材,槽宽为6mm,径厚为2.5mm,多应用于工作台,鱼缸架,白板架等轻型结构的框架组合。

  8080铝型材

9090铝型材

100100铝型材

  图中这三款分别是8080、9090和100100规格的双槽型材,这几款主要用于重载框架结构,如大型设备机罩,设备机架,光伏支架,安全围栏等框架的搭建。

  上面这些就是我们常用的双槽工业铝型材规格了,不知道大家发现没有,双槽型材截面尺寸基本都比较大,这是为什么呢?因为大截面型材挤压双槽会简单些,截面越大越好开模。而且使用双槽型材组装的框架会比较牢固结实,因为它槽坑数量比较多,可以增强框架结构的稳定性和承载力。另外,需要注意的是,双槽型材配件需要配套使用哦。

8080铝型材框架

  以上就是小编要讲的内容了,希望可以帮助到大家。上海启域10多年厂家经验,现货直销,可批发可零售各种规格型材及配件,按需切割加工,承接各种框架结构定制加工,提供异型材开模定制服务,案例丰富,技艺娴熟,欢迎咨询。

【相关推荐】

联系启域

服务热线: 021-67658689
上海启域金属制品有限公司

电 话:021-67658689

传 真:021-67658536

地 址:上海市松江区车墩镇泖亭路1056号1幢