上海工业铝型材_铝合金型材_铝型材加工_框架围栏_工作台定制厂家_启域金属

联系启域联系启域 在线留言在线留言 网站地图网站地图

欧标品质 初心坚守工业铝型材厂家 精于应用定制加工

服务热线:400-096-5058021-67658689

启域用匠心坚守,以责任践行
铝型材L型连接板如何组装?
返回列表 来源: 上海启域金属制品有限公司 发布日期: 2019.10.30

  铝型材L型连接板属于外连接件,就是不需要打孔连接的配件,直接用在型材表面,组装拆卸便捷,连接强度高,结实使用时间长。但是就有一点,不太美观。如果框架结构对美观承重要求比较高的话,就不建议使用了。下面小编来给大家讲解一下铝型材L型连接板是如何组装的。

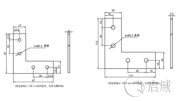
L型连接板

  L型连接板要想制作在型材上,需要用到螺栓螺母进行固定连接。两根型材对接在一起,然后把螺母先预埋在型材槽坑内,然后在把L型连接板对准螺母的螺纹口,用螺栓拧紧就可以了。常用的螺栓螺母有滑块螺母/T型螺母+半圆头螺栓。
L型连接板分为3030规格和4040规格,每个规格需要搭配4套螺栓螺母。具体使用情况如下:

  3030规格配套常用螺栓螺母有:欧标型材配30-M6滑块螺母/T型螺母+M6*12半圆头螺栓;国标型材配30-10F-M6滑块螺母/四方螺母+M6*12半圆头螺栓。

QY-L型连接板

  4040规格配套常用螺栓螺母有:欧标型材配40-M8滑块螺母/T型螺母+M8*12半圆头螺栓;国标型材配40-14F-M8滑块螺母/四方螺母+M8*12半圆头螺栓。
  以上就是小编讲的内容了,只要按照小编讲的内容去组装的话,是没有问题的。大家有什么不明白的地方可以在线咨询网站的客服人员,提供设计解决方案,欢迎咨询。

联系启域

服务热线: 021-67658689
上海启域金属制品有限公司

电 话:021-67658689

传 真:021-67658536

地 址:上海市松江区车墩镇泖亭路1056号1幢