
分类:欧标铝型材
材料:铝合金Material Aluminum(6063-T5)
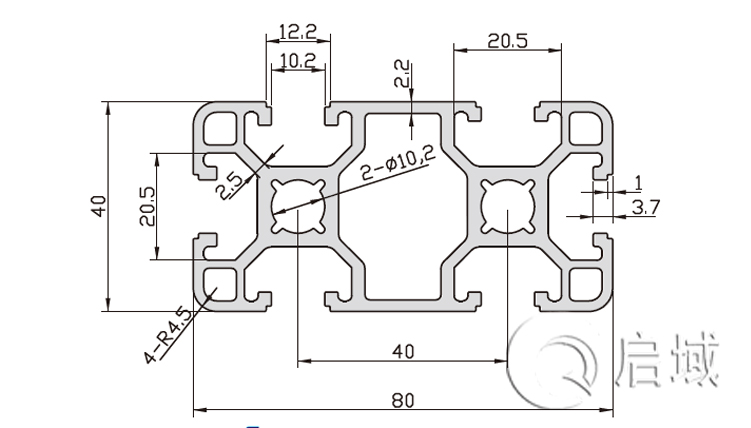
单位质量:2.93kg/m
长度:6.01m (可按需切割)
径厚:2.5mm (4080型材其它径厚:2mm,2.2mm,3.2mm,3.8mm)
槽宽:10mm
任意长度切割、45度角切割、特殊角度切割,精度误差小,低至±0.3mm-±0.5mm。
通孔、沉头孔、盲孔、安装孔,孔的位置精度及深度大小严格按照设计图纸要求。
包含端面攻丝、钻孔攻丝,采用适合润滑剂来实现丝锥寿命,精确控制深度。
拥有CNC数控等加工设备,提供铣孔、铣槽、铣面、端铣等精加工服务。
提供成品组装、上门测量安装服务,并提供安装说明书或远程指导安装。
气泡膜、珍珠棉、牛皮纸(可打托发货)。合作物流:申通快递、顺丰速运、安能物流、专线直达等
采用6063-T5标准的铝棒原材,不掺杂废铝,确保铝型材韧性足。
采用国家标准模具成型,保证载重量,延长使用寿命。
采用高精度自动化设备,直线度误差低至±0.5mm,成型精度高。
材料进行失效处理后,硬度可高达13度,高承重设备不易变形,抗压抗拉性能好。
氧化膜厚度符合国家标准,型材表面20年性能稳定。
银白氧化处理,氧化膜达8-25Um,表面色泽均匀,不易锈,耐腐蚀。